Global
選擇語言
前言
分布式光伏發電在滿發以及容量占比達到一定比例時,容易引起電壓超限問題。電壓超限不僅影響了電能質量問題,而且限制了光伏在配電網中的滲透率。針對電壓超限,電網公司出臺了相應的光伏發電系統并網技術規范,業內也有通過逆變器控制方案來實現并網點電壓的調整或增加新的無功補償裝置應對等解決方案。本文由小固給大家普及一下光伏、并網點電壓問題。
01并網逆變器是電壓源還是電流源?
首先我們需要了解逆變器電源類型,有助于理解電網對逆變器的影響。毫無疑問,并網逆變器是發電設備,屬于電流源。電流源的特性是內阻無窮大,輸出電流由設備內部算法進行控制。電壓及頻率由外電路(電網)決定,電流源的特點要求電流源不能開路(電網不能故障),電流源可以并聯使用。
而電壓源的特性是內阻為零,輸出電壓恒定不變;電流及其方向由電壓源與外電路共同決定。電壓源的特點要求電壓源不能短路。
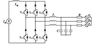
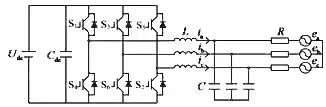
電壓源型逆變器
電流源型逆變器
并網逆變器的運行策略是依靠大電網所提供電壓和頻率的剛性支撐,這時電網中的負荷波動、電壓和頻率的擾動都由大電網承擔,分布式電源不需考慮電壓和頻率調節。
光伏并網逆變器的輸出電壓由電網決定的,當電網電壓超過逆變器工作電壓范圍時,逆變器故障停機,當電網電壓在逆變器工作電壓范圍內,逆變器正常工作。
電網對不同形式的逆變器輸出的電能質量有一定的要求,不同的規范、不同的逆變器存在一定的差異。
02A類、B類逆變器的區別
不同類別的逆變器對于電壓超限、孤島保護等要求有較大區別,逆變器類別將根據《光伏發電并網逆變器技術要求》(GB/T37408-2019)中規定,逆變器按接入電源等級可分為A類、B類逆變器。

概括來講,A類逆變器與公共電網的要求緊密,B類逆變器主要應用于分布式光伏發電系統,具有并網電壓低、與公用電網聯系不緊密、對電網影響小等特點。
A類逆變器在無功容量、故障穿越(低電壓穿越和高電壓穿越)、反孤島保護存在一定的差異要求。
隨著新能源的大比例接入,目前電網對于對B類逆變器的技術要求逐步靠近、甚至參照A類逆變器。
03逆變器安規要求
針對逆變器與并網點電壓等技術要求,出臺了一系列的安規要求,主要標準如下:
《光伏發電并網逆變器技術要求》(GB/T37408-2019) 7.5.1 電壓適應性中規定:A類逆變器和B類逆變器的電壓范圍均為0.9p.u.至1.1p.u.
《光伏電站接入電力系統技術規范》(GB/T 19964-2012)9.1 電壓范圍規定了逆變器的電壓范圍為0.9p.u.至1.1p.u.
《光伏發電系統接入配電網技術規定》(GB/T 29319) 8.2 高/低壓保護詳細規定了逆變器的電壓范圍為0.85p.u.至1.1p.u.
三個標準中運行電壓范圍的低限數值不同,不同數值意味著不同制造成本。逆變器定值涉及分布式光伏的涉網性能,應該有嚴格的定值規范、審核流程和驗收管理。如山東要求10kV均按照電站級的電壓進行整定。
04并網點電壓問題常用解決對策
如何解決并網點電壓異常,可參考如下方式:
1、逆變器功率控制
逆變器在并網環節能夠對光伏輸出的有功功率和無功功率實現調節控制,可以通過對功率的控制實現對并網點電壓的調整。
2、無功補償裝置
無功補償對電力系統的重要性越來越受到重視,合理地使用無功補償設備,對調整電網電壓(控制電網電壓波動和閃變能力)、提高供電質量、抑制諧波干擾、保證電網安全運行都有著十分重要的作用。
3、配置儲能
1)儲能可以解決三相電壓不平衡問題。
2)通過功率型儲能的快速響應能力,也可以補償電壓閃變和暫降的電壓問題。
3)儲能能夠進行無功補償,改善功率因素,同時不影響光伏有功出力。

充放電調節光伏并網功率,減少電壓偏差
小結
隨著分布式電源接入比例的上升,電網做好分布式電源與電網統籌規劃,計算各級配電網承載力,加強配電網群測群控群調技術、有載調容調壓配電等關鍵技術,我們期待電網能出臺統一標準、能解決分布式電源大量接入的規范要求,攜手共建新型電力系統。
加入我們